Zur Navigation springen Zum Seiteninhalt springen Zur Fußzeile springen

Metallografische Untersuchungen

Wann wird eine metallografische Untersuchung benötigt?

Metallografische Untersuchungen gehören zu den wichtigsten Bausteinen der Werkstoffprüfung und ermöglichen die detaillierte Beschreibung der Struktur von metallischen Werkstoffen. Sie sind ein wesentlicher Bestandteil bei der Qualitätssicherung, der Qualifizierung von Schweißverfahren (Verfahrensprüfung) oder im Rahmen von Schadensuntersuchungen und Schadensvorbeugung.

Welche Prüfungen bieten wir Ihnen an?

In unseren modern ausgestatteten Metallografie-Laborbereichen können unsere erfahrenen Metallografen an verschiedenen Werkstoffen sowie an Schweiß-, Löt- und Klebeverbindungen und an Beschichtungssystemen das Makro- und das Mikrogefüge sowie dessen Aufbau dargestellt und charakterisiert werden.

Unsere Makroschliffe finden Anwendung, um die makroskopischen Merkmale einer Schweißverbindung zu untersuchen. Hierbei können die Schweißgeometrie, die Anzahl und Größe der Schweißlagen, die Eindringtiefe und die Größe der Wärmeeinflusszone (WEZ) detailliert betrachtet werden. Auch Schweißnahtfehler, wie z.B. Risse oder Poren werden sichtbar.

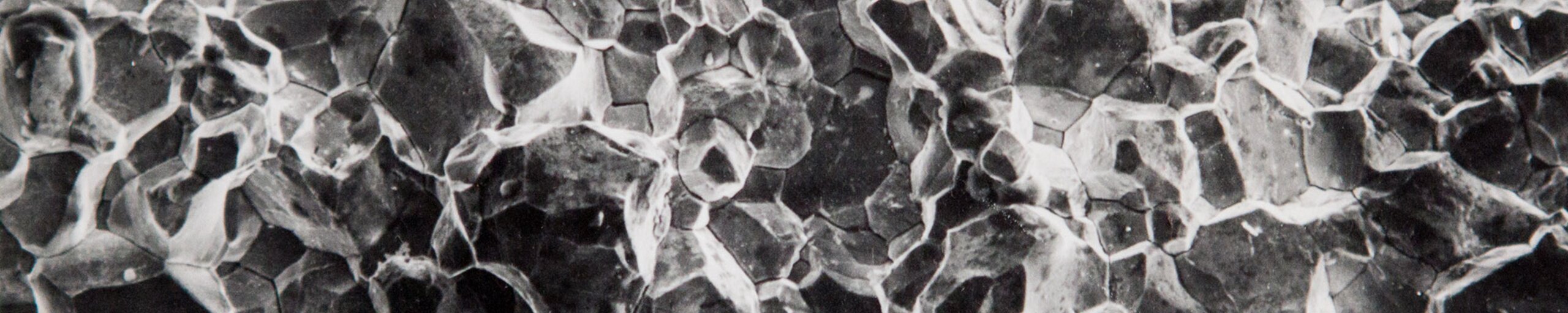
Unsere Mikroschliffe werden verwendet, um Schweißnahtfehler wie Mikrorisse zu erkennen, die Korngröße festzustellen oder spezielle Phasen zu identifizieren.

Zusätzlich zu unseren metallografischen Untersuchungen bieten wir Ihnen eine Vielzahl weiterer Werkstoffuntersuchungen) in unserem Prüflabor an.

Warum sind wir der richtige Ansprechpartner?

Das Prüflabor der GSI SLV ist nach DIN EN ISO/IEC 17025 durch die Deutsche Akkreditierungsstelle GmbH akkreditiert und bietet als unabhängiges Institut seit über 25 Jahren eine große Bandbreite unterschiedlichster Werkstoffprüfungen an. 

Unser akkreditiertes Prüflabor – Ihr Vorteil auf dem Markt:

  • Eine Akkreditierung nach DIN EN ISO/IEC 17025 bedeutet, dass das Labor weltweit anerkannt ist und nach internationalen Standards arbeitet.
  • Die Akkreditierung bestätigt, dass das Labor fachlich qualifiziert ist, valide und reproduzierbare Ergebnisse zu liefern. Unser Prüfpersonal weist seine Kompetenz regelmäßig nach.
  • Akkreditierte Labore stellen ihre Unparteilichkeit sicher. Mitarbeiter der GSI sind sensibilisiert und geschult.
  • Durch Audits der Deutschen Akkreditierungsstelle (DAkkS) wird die Qualität kontinuierlich überprüft und verbessert. Zudem erfolgt ein Vergleich mit externen Stellen (z.B. Ringversuche)
  • Dokumentation, Kalibrierung und Prüfmethoden sind klar geregelt und nachvollziehbar. Alle Standorte des GSI-Prüflabors arbeiten nach einem einheitlichen QM-System
  • In vielen Branchen (z. B. Bahn, Luftfahrt, Medizin, Bau) sind akkreditierte Prüfungen Voraussetzung für die Zulassung oder Zertifizierung.

Wir beraten Sie bei allem, was für Ihr Unternehmen wichtig ist!

Sie sind unsicher, welches Prüfverfahren das richtige für Ihren Anspruch ist? Wir sind gerne für Sie da und stehen Ihnen mit jahrzehntelanger Erfahrung in der Metallbranche mit unserer Expertise zur Seite.
Mit unseren Laborstandorten in Berlin, Duisburg, Fellbach, Hannover, München und Saarbrücken stehen wir immer als direkter Ansprechpartner in Ihrer Nähe zur Verfügung.

Übersicht unserer Prüf- und Hausverfahren

Das Prüflabor der GSI SLV ist nach DIN EN ISO/IEC 17025 durch die Deutsche Akkreditierungsstelle GmbH akkreditiert und bietet als unabhängiges Institut eine große Bandbreite unterschiedlichster Werkstoffprüfungen an. Hier finden Sie eine aktuelle Übersicht.

Jetzt downloaden

Das könnte auch interessant für Sie sein

Schadensanalyse Verfahrensprüfungen

Ihre Vorteile

  • Internationale Anerkennung mit hoher Vertrauenswürdigkeit
  • Kompetente Prüfleistungen
  • Unabhängigkeit und Objektivität
  • Regelmäßige Überwachung von außen
  • Transparenz und Rückverfolgbarkeit
  • Zugang zu regulierten Märkten
Ansprechpartner

Kontaktformular

Sie haben Fragen zu unserem Angebot?

Kontakt aufnehmen